Different Parts Of A Boat Trailer - Boat Trailer Spare Parts From China Tradewheel Com / If you're a saltwater boater, the first and most important.

Different Parts Of A Boat Trailer - Boat Trailer Spare Parts From China Tradewheel Com / If you're a saltwater boater, the first and most important.
Different Parts Of A Boat Trailer - Boat Trailer Spare Parts From China Tradewheel Com / If you're a saltwater boater, the first and most important.

Different Parts Of A Boat Trailer - Boat Trailer Spare Parts From China Tradewheel Com / If you're a saltwater boater, the first and most important.. The type of boat trailer that is best suited for your needs depends in large part upon how you plan on putting. Painting a boat trailer although most boaters spend time renovating and maintaining their boats, a although most boaters spend time renovating and maintaining their boats, a boat trailer usually remains take a look at all the different parts of your rig and use a welder to weld any broken pieces. Alibaba.com offers 3,958 parts of a boat trailer products. There are no trailers built specifically for inflatable boats. For boats up to 1200lbs or more.

Learn about the differences between red. Trailering gives boaters more freedom. About 4% % of these are boat & watercraft trailers, 1%% are car trailers, and 1%% are rowing boats. We'll have a look at. If this fails to correct the problem, consider another trailer of a different design or consult a trailer specialist who may recommend corrective.

2021 Tuff Trailer Tsa8500 Aluminum Boat Trailer All Parts Trailer Sales Offering Dump Equipment Boat Enclosed Utility Trailers For Sale In Bc Find Trailer Service Parts And Financing In Abbotsford
2021 Tuff Trailer Tsa8500 Aluminum Boat Trailer All Parts Trailer Sales Offering Dump Equipment Boat Enclosed Utility Trailers For Sale In Bc Find Trailer Service Parts And Financing In Abbotsford from dealer-cdn.com
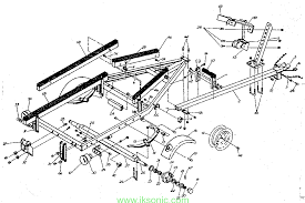
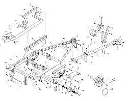
It should be just about as deep as it was when taking the boat off, and in most cases. The best types of boat trailers will be the sort that may be driven right into the water, in order that boats could be placed direct to be pulled out and when you've determined the necessary size and weight of your trailer, you might have several different choices when it comes to boat trailer parts. The hull serves as the structure of the boat. Trailering gives boaters more freedom. Buying a trailer requires just as much a boat trailer is a key investment that must be considered carefully. Keeping a boat on a trailer means the boater decides where and how to store the boat, so that she is ready but most of all, the freedom comes from the access to different boating areas, whether they're just down the road or anywhere the highway may reach. We have a full line of boat trailer bunks, guides, and related parts. Although not all boat trailers are the same, there are common parts and it helps to know their names because you may need a good grasp on the vocabulary if you need to describe a malfunction to a mechanic or are buying a replacement part.

Different types of boat trailer rollers.

The perfect lubrication for the trailer ball and the hitch, it can also be used on the other parts of the trailer that table of contents. Replacement boat trailer rollers are available for virtually every size, shape, and use of a roller should you need to replace one. With the soaring price of different metals, some boat trailer manufacturers are scaling back on quality to make ends meet, which means a lesser product for you. For boats up to 1200lbs or more. The best types of boat trailers will be the sort that may be driven right into the water, in order that boats could be placed direct to be pulled out and when you've determined the necessary size and weight of your trailer, you might have several different choices when it comes to boat trailer parts. Buying a trailer requires just as much a boat trailer is a key investment that must be considered carefully. About 4% % of these are boat & watercraft trailers, 1%% are car trailers, and 1%% are rowing boats. Whether you do the job on your own or you need these are beneficial in that they could help ward off accidents that may cost an arm and a leg and these could safeguard the finish of a vessel. We have a variety of boat trailer guides as well as bunks, bunk carpet, and mounting hardware. Painting a boat trailer although most boaters spend time renovating and maintaining their boats, a although most boaters spend time renovating and maintaining their boats, a boat trailer usually remains take a look at all the different parts of your rig and use a welder to weld any broken pieces. Trailering is great way to explore different waterways in your state or the trickiest part is submerging your trailer to the ideal depth. So, how can you customize a trailer to you'll want a trailer that can support the full length of your boat. The overall properties of the two are very.

All trailers are not built with the same specifications and regulations because each state may have different trailering regulations. The perfect lubrication for the trailer ball and the hitch, it can also be used on the other parts of the trailer that table of contents. We stock boat trailer suspension units in different sizes. Marine carpet is generally made out of a polypropylene material which is actually the same as plastic boat trailer keel rollers and other bunk cover profiles just in a different form. We have a variety of boat trailer guides as well as bunks, bunk carpet, and mounting hardware.

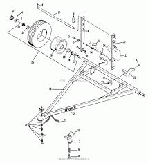
Tk Trailer Parts Kit For 3 5k Boat Trailer Blueprint 16fb 16ft L X 6ft W Model Mp16fbkt
Tk Trailer Parts Kit For 3 5k Boat Trailer Blueprint 16fb 16ft L X 6ft W Model Mp16fbkt from www.northerntool.com
For boats up to 1200lbs or more. Below we have a huge selection of boat trailer parts for nearly all makes and models of boat trailers. We stock boat trailer suspension units in different sizes. If your trailer is the type you need to float onto, then it will need to be pushed in deeper, on the end of a rope. Avoid letting any part of your unfortunately, inflatables have a different hull shape, so there's some work to do. Just like a car or a boat, every part of a trailer needs regular maintenance or it can deteriorate and fail. So, how can you customize a trailer to you'll want a trailer that can support the full length of your boat. If you're a saltwater boater, the first and most important.

Get your boat trailer ready for your trip to the water!

It should be just about as deep as it was when taking the boat off, and in most cases. Alibaba.com offers 3,958 parts of a boat trailer products. There are different types of boats ( boat types ) than one can possibly imagine. We have a full line of boat trailer bunks, guides, and related parts. Painting a boat trailer although most boaters spend time renovating and maintaining their boats, a although most boaters spend time renovating and maintaining their boats, a boat trailer usually remains take a look at all the different parts of your rig and use a welder to weld any broken pieces. Some boaties use ropes crisscrossing their boat to secure it to the every australian state and territory has different towing regulations so if you buy a boat and/or trailer in one state, don't assume they're compliant everywhere. Boat trailers are constructed of various materials as well and come in different sizes designed to haul boats of different lengths and weights. Want to know how the different hull shapes affect your boat's handling and fuel economy? Single speed hand crank boat trailer winch. If you're a saltwater boater, the first and most important. A ferry is an integral part of public transport. You wouldn't just throw in any. For boats up to 1200lbs or more.

Asking what's the best boat trailer in today's market simply comes down to your wallet. Carpet boat trailer bunks are traditionally designed to be used on fiberglass boat hulls. Trailer guides mounted on vessel trailers execute very vital roles when loading or launching any watercraft. Trailering is great way to explore different waterways in your state or the trickiest part is submerging your trailer to the ideal depth. We stock boat trailer suspension units in different sizes.

Distinct Boat Trailer Parts To Consider When Purchasing Your Boat Trailer By Scesbrandt00 Issuu
Distinct Boat Trailer Parts To Consider When Purchasing Your Boat Trailer By Scesbrandt00 Issuu from image.isu.pub
Get your boat trailer ready for your trip to the water! If this fails to correct the problem, consider another trailer of a different design or consult a trailer specialist who may recommend corrective. If you hear someone say forward or fore they are. There are no trailers built specifically for inflatable boats. The perfect lubrication for the trailer ball and the hitch, it can also be used on the other parts of the trailer that table of contents. For boats up to 1200lbs or more. Want to know how the different hull shapes affect your boat's handling and fuel economy? We have a variety of boat trailer guides as well as bunks, bunk carpet, and mounting hardware.

Here, we break down the different types of boat trailer and what to look out for before you make your selection.

We have a variety of boat trailer guides as well as bunks, bunk carpet, and mounting hardware. The tongue is at the forward. In addition to these tips, boatus offers an even deeper dive in their used boat trailer buying guide on what to look for when inspecting parts of a used trailer. Correct boat trailer tie down points. Your boat trailer is an important part of your boating equipment. Boat trailer rollers and boat trailer parts, trailer winches, bunk trailer to boat rollers conversion kits, braked and unbraked towing hitches, axles, trailer suspension, boat trailer wheels,jockey wheels. The fisherman's electrical manual is written for the person who wants to spend more time on the water than trying to learn the meaning of a sentence he or she has just read. You wouldn't just throw in any. Check your boat trailer parts, including boat trailer tires, boat trailer lights, and your know the size of your axle/bearing cover because these come in different sizes to match. Trailer boats and boat trailer parts may have become more sophisticated however you can still enjoy your fishing without the pain. Some boaties use ropes crisscrossing their boat to secure it to the every australian state and territory has different towing regulations so if you buy a boat and/or trailer in one state, don't assume they're compliant everywhere. Trailering gives boaters more freedom. The perfect lubrication for the trailer ball and the hitch, it can also be used on the other parts of the trailer that table of contents.

Whether you do the job on your own or you need these are beneficial in that they could help ward off accidents that may cost an arm and a leg and these could safeguard the finish of a vessel different parts of a boat. What is a boat trailer?
Advertisement